Parts Catalog Accessories Catalog How To Articles Tech Forums
Call Pelican Parts at 888-280-7799
Shopping Cart Cart | Project List | Order Status | Help



Go Back   PeachParts Mercedes-Benz Forum > Mercedes-Benz Tech Information and Support > Diesel Discussion

Reply
 
LinkBack Thread Tools Display Modes
  #1  
Old 11-08-2017, 08:02 PM
Graham's Avatar
Registered User
 
Join Date: Nov 2004
Location: Ontario, Canada
Posts: 4,457
W123 blower dimensions

Found some blowers at a surplus store. Wondered if blower or motor might be adapted to fit our W123s?

Impeller is about 159mm (6.25") OD
Motor is roughly 76mm (3") diam

Attached Thumbnails
W123 blower dimensions-blower.jpg  
__________________
Graham
85 300D,72 350SL, 98 E320, Outback 2.5
Reply With Quote
  #2  
Old 11-09-2017, 11:12 PM
DeliveryValve's Avatar
Chairman of my Benz
 
Join Date: Jun 2006
Location: Central California
Posts: 4,159
It might work. The blower motor and turbine I have measures 6.25 inches in diameter and 2 7/8 inches tall.

The motor diamter is about 3 inches.
__________________
1983 123.133 California
- GreaseCar Veg System


Reply With Quote
  #3  
Old 11-10-2017, 01:00 AM
Diesel911's Avatar
Registered User
 
Join Date: Sep 2007
Location: Long Beach,CA
Posts: 57,351
Some W123s have Bosch Motors and mine has a Siemens motor. Do they both have the same dimensions. I don't know.
__________________
84 300D, 82 Volvo 244Gl Diesel
Reply With Quote
  #4  
Old 11-10-2017, 09:07 AM
moon161's Avatar
Formerly of Car Hell
 
Join Date: Mar 2008
Location: Buffalo NY
Posts: 2,058
My euro 240D blower did not match a junkyard pick. I ended up putting new brushes in the motor.
__________________
CC: NSA

All things are burning, know this and be released.

82 Benz 240 D, Kuan Yin
12 Ford Escape 4wd

You're four times
It's hard to
more likely to
concentrate on
have an accident
two things
when you're on
at the same time.
a cell phone.


www.kiva.org It's not like there's anything wrong with feeling good, is there?
Reply With Quote
  #5  
Old 11-10-2017, 11:49 AM
Graham's Avatar
Registered User
 
Join Date: Nov 2004
Location: Ontario, Canada
Posts: 4,457
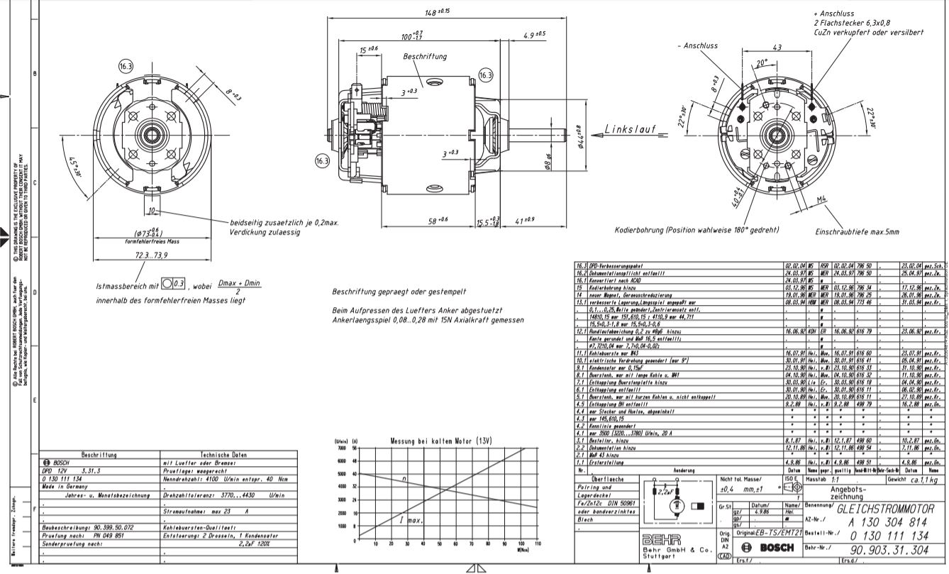
Reading this earlier thread, it seems that a Bosch Volvo motor # 0 130 111 134 fitted one owner's 84 W123. Reading this thread, it is clear that the earlier cars and those without A/C used different motors. So care needed if buying a motor.

So far as I could tell from the linked thread, this is the Bosch/Volvo motor that can be used in the later blowers:

http://www.peachparts.com/shopforum/attachments/diesel-discussion/99443d1328622434-everybody-better-take-care-their-123-blowers-fan-blower-motor-3-.pdf

W123 blower dimensions-w123-blower-motor.jpg

If so, motor diameter is about 2.88" - I would need to get a closer measurement of that surplus blower motor to see if it would work.

As it is, my son has been driving my car this week and says that the blower is working fine! Only thing I did was fix a loose connector plug on the blower cable.

By the way, also found this comparison on a Russian site of two Bosch motors that could be used:

Original in a non- A/C car was BOSCH 0 130 111 131
The shaft of BOSCH 0 130 111 134 (Volvo 850 & likely others) is 5 mm longer and both electrical connectors are Male. Vs male/Female on the original. Otherwise motor is same. Owners cut 5mm off shaft and was in business!
__________________
Graham
85 300D,72 350SL, 98 E320, Outback 2.5
Reply With Quote
  #6  
Old 11-12-2017, 11:19 AM
Diesel911's Avatar
Registered User
 
Join Date: Sep 2007
Location: Long Beach,CA
Posts: 57,351
From my 84 300D (Federal)
This is a pic of the bottom blower housing on mine. The arrows point to the screws that go through the Housing to mount the blower motor to the housing and in the yellow circle you seen that part of the motor sticks into a hole in the plactic housing to center it in the housing.

You can see the 2 issues mounting a generic blower to the existing housing.
Attached Thumbnails
W123 blower dimensions-my-blower-motor-mounting-screws.jpg  
__________________
84 300D, 82 Volvo 244Gl Diesel
Reply With Quote
  #7  
Old 11-12-2017, 12:11 PM
Registered User
 
Join Date: Dec 2006
Posts: 3,964
I happen to have a hundred or so generic blower wheels & motors left over from a project. If some one wants to try one out, I’d be to measure one up and send it.
Reply With Quote
  #8  
Old 11-12-2017, 12:16 PM
funola's Avatar
Registered User
 
Join Date: May 2005
Location: NYC
Posts: 8,249
I have 2 good used ones for cheap if anyone needs one.
__________________
85 300D turbo pristine w 157k when purchased 167,870 July 2025
83 300 D turbo 297K runs great. SOLD!
83 240D 4 spd manual- parted out then junked
Reply With Quote
  #9  
Old 11-12-2017, 04:00 PM
Graham's Avatar
Registered User
 
Join Date: Nov 2004
Location: Ontario, Canada
Posts: 4,457
Quote:
Originally Posted by Diesel911 View Post
From my 84 300D (Federal)
This is a pic of the bottom blower housing on mine. The arrows point to the screws that go through the Housing to mount the blower motor to the housing and in the yellow circle you seen that part of the motor sticks into a hole in the plactic housing to center it in the housing.

You can see the 2 issues mounting a generic blower to the existing housing.
Slightly different from my 85 which has Bosch motor.
W123 blower dimensions-img_1667.jpg
I measured my motor, then went and checked the surplus unit again. All I really wanted, was the motor. But it was bigger in diameter than mine. My Bosch is 73mm diam vs about 80mm for the surplus. The impeller was same diam, so maybe a cludge of some sort might have made the whole unit fit, but looking for cleaner solution!

What I found on line, was that a mid 90s Volvo 850 is a good replacement for my type of Bosch motor (but likely not all Bosch or Siemens). Volvo part 6820812, Bosch part 0130111134. Tried to read Bosch number off mine, but not too meaningful!

This guy used same motor on an 83 240D:

https://www.youtube.com/watch?v=UMaStsPUqBw
Attached Thumbnails
W123 blower dimensions-img_1669.jpg   W123 blower dimensions-img_1668.jpg  
__________________
Graham
85 300D,72 350SL, 98 E320, Outback 2.5

Last edited by Graham; 11-12-2017 at 04:33 PM.
Reply With Quote
  #10  
Old 11-12-2017, 04:47 PM
Graham's Avatar
Registered User
 
Join Date: Nov 2004
Location: Ontario, Canada
Posts: 4,457
Quote:
Originally Posted by Mxfrank View Post
I happen to have a hundred or so generic blower wheels & motors left over from a project. If some one wants to try one out, I’d be to measure one up and send it.
With temperatures sub zero over past few days, I need to get the blower fixed soon! Might mean buying a new Volvo motor (C$113/US$88) which would get here in a day or two.

OR replace brushes & clean up commutator (seems hard to get at commutator on this motor). If I go that way, a newer replacement spare could be of interest!

The dimensions for the motor I need are same as the Volvo one (with exception of minor difference in shaft length). There is pdf again:

http://www.peachparts.com/shopforum/attachments/diesel-discussion/145168-w123-blower-dimensions-w123-blower-motor.jpg

PM me if you have anything close.

Funola - Thanks for offer, but timing and shipping etc mean used motor would not solve my immediate problem.
__________________
Graham
85 300D,72 350SL, 98 E320, Outback 2.5
Reply With Quote
  #11  
Old 11-14-2017, 08:43 PM
Graham's Avatar
Registered User
 
Join Date: Nov 2004
Location: Ontario, Canada
Posts: 4,457
Update - I bought the Volvo blower motor. Bosch part 0130111134 Volvo 6820812 (motor only). Cost about same as buying a complete URO blower assembly. Haven't had much luck with URO, so went with the Bosch motor.

I will eventually try and put new brushes in the original motor and keep as spare, but couldn't find anything close in size locally.
Attached Thumbnails
W123 blower dimensions-img_1671.jpg  
__________________
Graham
85 300D,72 350SL, 98 E320, Outback 2.5
Reply With Quote
  #12  
Old 11-15-2017, 01:07 PM
Graham's Avatar
Registered User
 
Join Date: Nov 2004
Location: Ontario, Canada
Posts: 4,457
Volvo 850 (Bosch 0130111134) blower motor installed. Only change needed was to switch one male/female spade connector. Works fine. Everything buttoned up. Back to several jobs on W210.

__________________
Graham
85 300D,72 350SL, 98 E320, Outback 2.5
Reply With Quote
Reply

Bookmarks


Posting Rules
You may not post new threads
You may not post replies
You may not post attachments
You may not edit your posts

BB code is On
Smilies are On
[IMG] code is On
HTML code is On
Trackbacks are On
Pingbacks are On
Refbacks are On




All times are GMT -4. The time now is 06:32 PM.


Powered by vBulletin® Version 3.8.7
Copyright ©2000 - 2025, vBulletin Solutions, Inc.
Search Engine Optimization by vBSEO 3.6.0
Copyright 2024 Pelican Parts, LLC - Posts may be archived for display on the Peach Parts or Pelican Parts Website -    DMCA Registered Agent Contact Page