Parts Catalog Accessories Catalog How To Articles Tech Forums
Call Pelican Parts at 888-280-7799
Shopping Cart Cart | Project List | Order Status | Help



Go Back   PeachParts Mercedes-Benz Forum > Mercedes-Benz Tech Information and Support > Diesel Discussion

Reply
 
LinkBack Thread Tools Display Modes
  #886  
Old 12-11-2015, 04:15 PM
t walgamuth's Avatar
dieselarchitect
 
Join Date: Apr 2005
Location: Lafayette Indiana
Posts: 38,938
Today I delivered the nose trim to Michael. We also discussed the location and connection of all the still needed switches valves and relays. We stood and ogled the construction and design of the incredible CE bed. Surely there has never been such a beautiful bed on any production truck.

We discussed in detail the connections to the electrically activated vacuum valve. I opined that the valve would be closed in normal operation and at rest and opened if the shut off switch is activated. There is an extra pipe threaded female port which we assumed would be attached to a filter with a hose.

Sound right?

__________________
[SIGPIC] Diesel loving autocrossing grandpa Architect. 08 Dodge 3/4 ton with Cummins & six speed; I have had about 35 benzes. I have a 39 Studebaker Coupe Express pickup in which I have had installed a 617 turbo and a five speed manual.[SIGPIC]

..I also have a 427 Cobra replica with an aluminum chassis.
Reply With Quote
  #887  
Old 12-11-2015, 04:48 PM
Registered User
 
Join Date: Oct 2012
Posts: 5,923
If possible a theft deterent of some sort perhaps could be considered . Modified vehicles can be targets.
Reply With Quote
  #888  
Old 12-11-2015, 10:08 PM
t walgamuth's Avatar
dieselarchitect
 
Join Date: Apr 2005
Location: Lafayette Indiana
Posts: 38,938
Good idea!
__________________
[SIGPIC] Diesel loving autocrossing grandpa Architect. 08 Dodge 3/4 ton with Cummins & six speed; I have had about 35 benzes. I have a 39 Studebaker Coupe Express pickup in which I have had installed a 617 turbo and a five speed manual.[SIGPIC]

..I also have a 427 Cobra replica with an aluminum chassis.
Reply With Quote
  #889  
Old 12-12-2015, 06:36 PM
t walgamuth's Avatar
dieselarchitect
 
Join Date: Apr 2005
Location: Lafayette Indiana
Posts: 38,938
Today I ordered a wiper switch which is designed to operate two motors, two wiper systems. It has a park feature so it should work even if the wipers are not synchronized, and they won't be. It'll mount in the original studie wiper switch hole.
__________________
[SIGPIC] Diesel loving autocrossing grandpa Architect. 08 Dodge 3/4 ton with Cummins & six speed; I have had about 35 benzes. I have a 39 Studebaker Coupe Express pickup in which I have had installed a 617 turbo and a five speed manual.[SIGPIC]

..I also have a 427 Cobra replica with an aluminum chassis.
Reply With Quote
  #890  
Old 12-12-2015, 08:54 PM
mach4's Avatar
Registered User
 
Join Date: Jul 2011
Location: San Diego County, CA
Posts: 2,736
Quote:
Originally Posted by barry12345 View Post
If possible a theft deterent of some sort perhaps could be considered . Modified vehicles can be targets.
You've actually already got a theft deterrent system - your shutoff toggle. Just leave it in the "shutdown" position and it will frustrate the heck out of any would-be thief. If they happen to get lucky and get the engine cranked and running it will shutdown within 1.5 seconds. If they crank again it will again start and then die again as vacuum builds and pulls the shutoff. If you use a manual glow system, that will also function as an anti-theft device (anytime the temperature is below 70 or so). Just leave both unlabelled. You might want to get cute and hook up a third unlabelled switch that will blow the horn. They'll quickly quit playing around and head to easier targets.
__________________
Current Stable
  • 380SL (diesel)
  • Corvette C5
  • Manx
  • Baja Bug
  • F350 Powerstroke
  • Auburn Boattail Speedster replica
Reply With Quote
  #891  
Old 12-12-2015, 10:10 PM
t walgamuth's Avatar
dieselarchitect
 
Join Date: Apr 2005
Location: Lafayette Indiana
Posts: 38,938
True, it won't be the easiest thing to steal. I remember test driving a sixty something mb diesel in the early seventies. the dealer with it for sale didn't know how to start it. I fiddled around with the gorilla switch and got it started myself.
__________________
[SIGPIC] Diesel loving autocrossing grandpa Architect. 08 Dodge 3/4 ton with Cummins & six speed; I have had about 35 benzes. I have a 39 Studebaker Coupe Express pickup in which I have had installed a 617 turbo and a five speed manual.[SIGPIC]

..I also have a 427 Cobra replica with an aluminum chassis.
Reply With Quote
  #892  
Old 01-07-2016, 10:12 AM
t walgamuth's Avatar
dieselarchitect
 
Join Date: Apr 2005
Location: Lafayette Indiana
Posts: 38,938
yesterday I ordered a pair of windshield wiper body fittings/garnish molds and had them shipped to Michael.
__________________
[SIGPIC] Diesel loving autocrossing grandpa Architect. 08 Dodge 3/4 ton with Cummins & six speed; I have had about 35 benzes. I have a 39 Studebaker Coupe Express pickup in which I have had installed a 617 turbo and a five speed manual.[SIGPIC]

..I also have a 427 Cobra replica with an aluminum chassis.
Reply With Quote
  #893  
Old 01-07-2016, 02:51 PM
Registered User
 
Join Date: Sep 2012
Location: Wilmington, NC by the Atlantic ocean
Posts: 2,530
Dang, Tom! Where did you turn THOSE up? Good hunting.

Dan
Reply With Quote
  #894  
Old 01-07-2016, 04:27 PM
t walgamuth's Avatar
dieselarchitect
 
Join Date: Apr 2005
Location: Lafayette Indiana
Posts: 38,938
I advertised at the studebaker forum. You'd be surprised what you can get there. I have gotten some pretty rare parts there....such as the chrome piece that goes from the hood down to the bottom of the nose. Easily damaged, very hard to find. I got a good one with fresh chrome...cost me $250 shipped which is probably less than what it would cost to have a good one chromed....and I did not have a good one.
__________________
[SIGPIC] Diesel loving autocrossing grandpa Architect. 08 Dodge 3/4 ton with Cummins & six speed; I have had about 35 benzes. I have a 39 Studebaker Coupe Express pickup in which I have had installed a 617 turbo and a five speed manual.[SIGPIC]

..I also have a 427 Cobra replica with an aluminum chassis.
Reply With Quote
  #895  
Old 01-08-2016, 06:13 PM
t walgamuth's Avatar
dieselarchitect
 
Join Date: Apr 2005
Location: Lafayette Indiana
Posts: 38,938
Today I took the 39 headlight buckets, lenses and trim rings down to Michael, along with a pigtail for the Mercedes alternator. We discovered that I am short two clips that hold the reflector into the frame of the headlight tub. Does anybody know a source for these little spring clips or an alternative way to hold them in?

Michael also made some plugs for the windshield wiper holes which look very professional. The wipers look grand and are a perfect fit, just missing the rubber at the top and touching it on the maximum sweep. They are wiring up the dash instruments now. they have the battery mounted on the firewall just like it was in the Mercedes which donated the motor and transmission. the wiring is well organized and anchored nicely to the firewall. We discussed the plumbing for the radiator, its catch/pressure tank and the heater hoses.

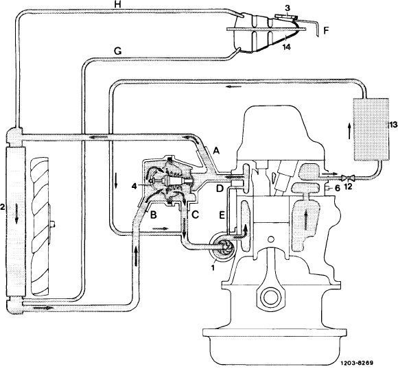
I need a diagram showing heater hose plumbing if anybody knows of a diagram for that...?


The brake lines are all run now too.

I can nearly hear it running now!
__________________
[SIGPIC] Diesel loving autocrossing grandpa Architect. 08 Dodge 3/4 ton with Cummins & six speed; I have had about 35 benzes. I have a 39 Studebaker Coupe Express pickup in which I have had installed a 617 turbo and a five speed manual.[SIGPIC]

..I also have a 427 Cobra replica with an aluminum chassis.
Reply With Quote
  #896  
Old 01-08-2016, 06:20 PM
Registered User
 
Join Date: Jun 2011
Posts: 86
[QUOTE=t walgamuth;3559596]
I need a diagram showing heater hose plumbing if anybody knows of a diagram for that...?[/B]

Is this what you need? If not, I may have more ..



Bob
Reply With Quote
  #897  
Old 01-08-2016, 06:29 PM
t walgamuth's Avatar
dieselarchitect
 
Join Date: Apr 2005
Location: Lafayette Indiana
Posts: 38,938
[QUOTE=charliebob;3559602]
Quote:
Originally Posted by t walgamuth View Post
I need a diagram showing heater hose plumbing if anybody knows of a diagram for that...?[/B]

Is this what you need? If not, I may have more ..



Bob
Thanks! That is great! Is #1 the heater circulation pump? Is the pump needed for heater use? the other fitting we could not find apparently is on the other side of the head from the turbo etc.
__________________
[SIGPIC] Diesel loving autocrossing grandpa Architect. 08 Dodge 3/4 ton with Cummins & six speed; I have had about 35 benzes. I have a 39 Studebaker Coupe Express pickup in which I have had installed a 617 turbo and a five speed manual.[SIGPIC]

..I also have a 427 Cobra replica with an aluminum chassis.
Reply With Quote
  #898  
Old 01-08-2016, 06:34 PM
ROLLGUY's Avatar
ROLLGUY
 
Join Date: Oct 2007
Posts: 7,260
[QUOTE=t walgamuth;3559605]
Quote:
Originally Posted by charliebob View Post

Thanks! That is great! Is #1 the heater circulation pump? Is the pump needed for heater use? the other fitting we could not find apparently is on the other side of the head from the turbo etc.
#1 is the water pump.
Reply With Quote
  #899  
Old 01-08-2016, 06:35 PM
t walgamuth's Avatar
dieselarchitect
 
Join Date: Apr 2005
Location: Lafayette Indiana
Posts: 38,938
Makes sense.

Thanks Roll guy!
__________________
[SIGPIC] Diesel loving autocrossing grandpa Architect. 08 Dodge 3/4 ton with Cummins & six speed; I have had about 35 benzes. I have a 39 Studebaker Coupe Express pickup in which I have had installed a 617 turbo and a five speed manual.[SIGPIC]

..I also have a 427 Cobra replica with an aluminum chassis.
Reply With Quote
  #900  
Old 01-08-2016, 06:38 PM
ROLLGUY's Avatar
ROLLGUY
 
Join Date: Oct 2007
Posts: 7,260
There is no heater valve or aux pump in the diagram, and you will not need the expansion tank or the related hoses if you are using a radiator with a cap on top. The rear heater hose nipple is back by the oil filter stand.

Reply With Quote
Reply

Bookmarks


Posting Rules
You may not post new threads
You may not post replies
You may not post attachments
You may not edit your posts

BB code is On
Smilies are On
[IMG] code is On
HTML code is On
Trackbacks are On
Pingbacks are On
Refbacks are On




All times are GMT -4. The time now is 01:35 AM.


Powered by vBulletin® Version 3.8.7
Copyright ©2000 - 2025, vBulletin Solutions, Inc.
Search Engine Optimization by vBSEO 3.6.0
Copyright 2024 Pelican Parts, LLC - Posts may be archived for display on the Peach Parts or Pelican Parts Website -    DMCA Registered Agent Contact Page